渦輪蝶(dié)閥具有哪些(xie)優點?渦輪蝶(die)閥内部結構(gòu)圖
發布日期(qi):[2025-12-16] 點擊率:雖然同屬于(yú)手動蝶閥,但(dan)是相比較來(lai)說,渦輪蝶閥(fa)的使用範圍(wei)比手柄蝶閥(fa)更廣,用途也(ye)多。原因是手(shǒu)柄蝶閥受到(dào)操作扭矩的(de)👅限制,隻适宜(yí)在管道口徑(jìng)小于DN250mm的場合(hé)使用,如果口(kǒu)徑太大超過(guo)🌍了這個口徑(jing)範圍,人工🏃🏻操(cāo)作開關将變(biàn)得十分困難(nán),嚴重可能會(hui)導緻手柄斷(duàn)裂。渦輪蝶閥(fa)🔞因為配備了(le)渦輪頭,通過(guo)渦輪驅動使(shǐ)蝶閥的開啟(qǐ)和關閉更加(jiā)省力,所🌈以渦(wō)輪驅動的蝶(dié)閥不論大小(xiao)Kou徑都非常适(shi)合。
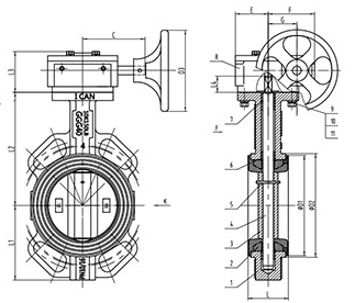
渦輪蝶閥(fa)結構圖

渦輪蝶(die)閥具有以下(xià)優勢:
1.蝸輪箱(xiang)防護等級達(da)到IP65。
2.蝸輪箱定(dìng)期做防塵和(he)防噴淋型式(shì)試驗,保證産(chǎn)品防護性能(neng)可靠。
3.蝸輪箱(xiāng)做強度試驗(yàn),手輪端邊緣(yuán)加890N力,蝸輪頭(tóu)任何部🌂位無(wu)損壞💚,無永Jiu變(bian)形。
4.蝸杆采用(yòng)45号鋼調質處(chu)理,綜合力學(xue)性能好,壽命(ming)長。
5.蝸杆與蝸(wo)杆軸連接銷(xiao)釘采用45号鋼(gang)淬火處理,強(qiang)度😄高,連接🔴可(ke)靠。
6.箱蓋與箱(xiāng)體的緊固件(jiàn)采用六角頭(tóu)螺栓和彈簧(huáng)墊✂️圈☀️及平墊(niàn)圈組合件,拆(chai)裝方便,連接(jiē)可靠。
7.蝸輪采(cai)用專用的蝸(wō)輪滾刀加工(gōng),配合緊密可(kě)靠,接🏃♂️觸面⭐寬(kuan),摩💘擦力小,同(tóng)時可以自由(you)裝卸蝸輪,便(biàn)于安👣裝。
8.蝸輪(lún)與蝸杆采用(yong)正變位,齒厚(hòu)加厚,剛性好(hǎo),傳動Ji限力矩(ju)💞大。
相(xiang)關新聞

